page 1
page 2
< prev
-
next >
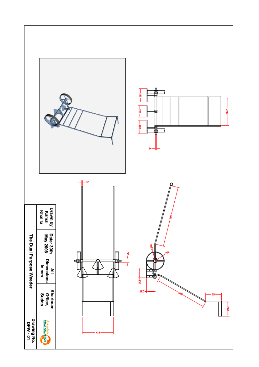
Agriculture Production technologies duel_purpose_weeder
(
Printable PDF
)