page 1
page 2
page 3
page 4
page 5
page 6
page 7
page 8 page 9
page 10
page 11
page 12
page 13
page 14
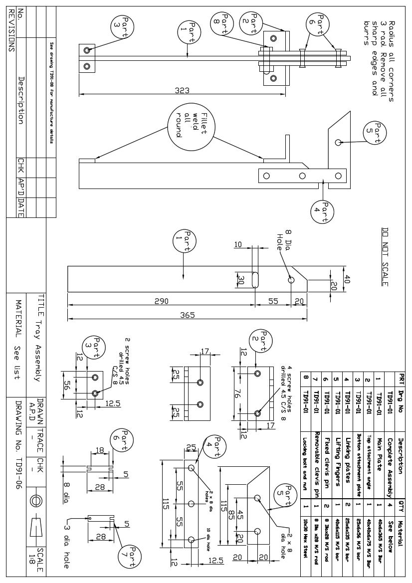
< prev - next > Crop processing Drying dryit small semi continuous tray dryer (Printable PDF)