page 1
page 2
page 3
page 4
page 5
page 6
page 7
page 8
page 9
page 10
page 11
page 12
< prev
-
next >
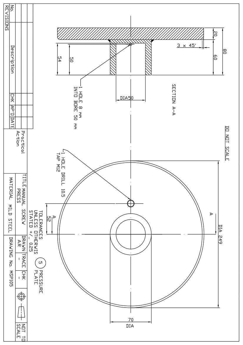
Crop processing Nut Processing and Oil Extraction manual_screw_press_engineering_drawing
(
Printable PDF
)