page 1
page 2
page 3
page 4
< prev
-
next >
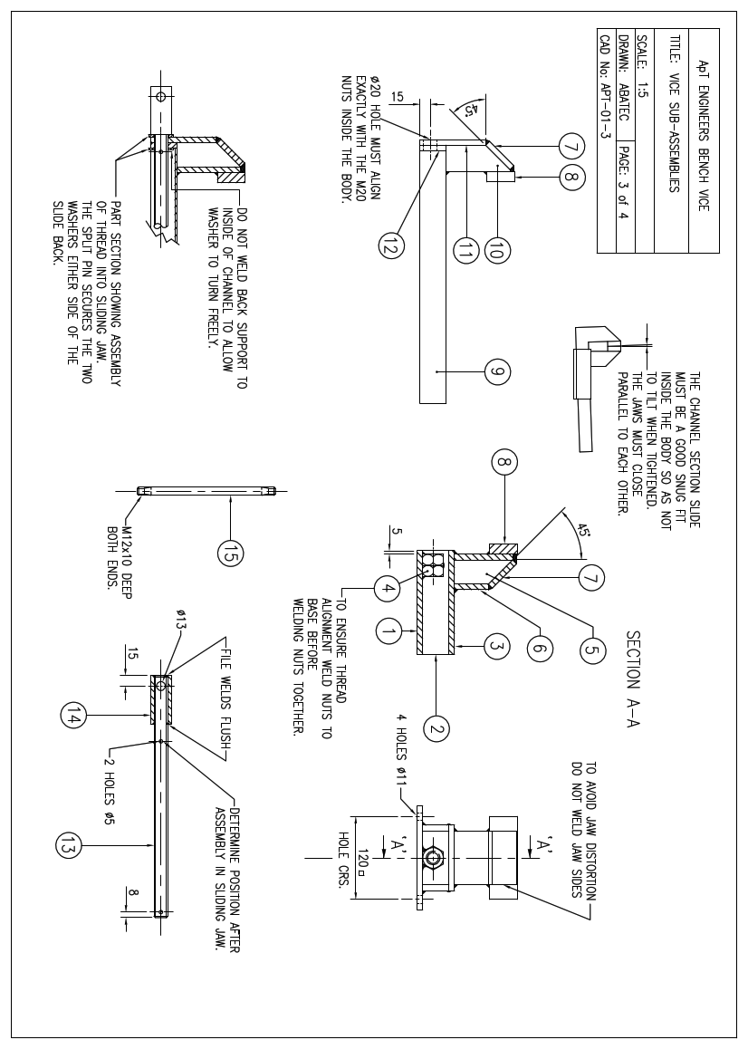
Manufacturing handicraft process industries Metalworking bench_vice
(
Printable PDF
)